Японская компания Hokuyo выпускает лазерные сканеры (также известные как лидары), современные оптические датчики и устройства оптической связи. Лазерные сканеры Hokuyo получили широкую известн...
Подробнее→
3D сканирующий дальномер YVT-35LX измеряет расстояние путем вертикального и горизонтального управления лазерным лучом.
В одном кадре генерируется облако из 2590 точек. С помощью режима чередования можно увеличить плотность точек облака. Сканер оснащен акселерометром и входным сигналом PPS.
Для определения расстояния сканер использует импульсный лазерный луч с принципом измерения TOF (время пролета луча). Сканер излучает лазерный луч в широком трехмерном поле, обеспечивая данные о высоте, ширине и глубине объектов. Такую информацию невозможно получить с помощью классических 2D-сканеров.


Встроенный акселерометр MPU-6500 от InvenSense измеряет угловую скорость и ускорение и снимает необходимость синхронизации времени. ВНИМАНИЕ: сканер использует механический рулевой механизм, который добавляет помехи при получении данных.

При использовании с GPS сигнал PPS сбрасывает отметку времени сканера, чтобы исключить ошибку смещения времени.
YVT-35LX со степенью защиты IP67 может использоваться в различных средах, при освещенности 100.000 люкс и обладает ударопрочностью до 10G.

|
Название |
3D Сканирующий дальномер (3D Лидар) |
|
Модель |
YVT-35LX |
|
Источник излучения |
Лазерный диод, длина волны = 905 нм Лазер, класс защиты 1 (IEC60825-1:2007 и IEC60825-1:2014) |
|
Напряжение питания |
DC 12В / 24В (диапазон рабочего напряжения 10 ~ 30В) (При использовании 12В: запуск 1.5A / Норм. 0.8A) |
|
Горизонтальный угол сканирования |
Поле зрени: 210 ° или более, шаг: 6 ° Точность: ± 0.125 ° |
|
Вертикальный угол сканирования |
Поле зрения: 40° (-5° до 35°) |
|
Облако данных |
2590 точек или более (без чересстрочной развертки, 20 кадров/с) 518000 точек и более (режим чересстрочной развертки HD, 0,1 кадра/с) |
|
Черезстрочный режим |
Горизонтально: макс.20 раз Режим HD: горизонтально 20 раз × вертикально 10 раз |
|
Диапазон обнаружения в центре вертикальной развертки (вверх 15 °) |
Горизонтальное сканирование -45 ° <θ <45 ° 0,3-35 м (белая бумага) 0,3-11 м (коэффициент отражения черной бумаги 10%) -75 ° <θ ≦ -45 °, 45 ° ≦ θ <75 ° 0,3-20 м (белая бумага) 0,3-6 м (коэффициент отражения черной бумаги 10%) θ ≦ -75 °, 75 ° ≦ θ 0,3-10 м (белая бумага) 0,3-3 м (коэффициент отражения черной бумаги 10%) * Диапазон обнаружения при вертикальном сканировании вверх 35 ° / вниз -5 ° составляет 70% в центре вертикального сканирования (вверх 15 °) |
|
Точность обнаружения (при температуре 25°C) |
Центр белая бумага менее 15 м: ± 50 мм Белая бумага 15 м ~: ± 100 мм |
|
Точность повторяемости (при температуре 25°C) |
Центр белая бумага менее 15 м:σ < 20мм |
|
Кол-во эхо-сигналов обнаружения |
До 4 эхо-сигналов |
|
Скорость горизонтального сканирования |
20 Гц |
|
1200 Гц |
|
|
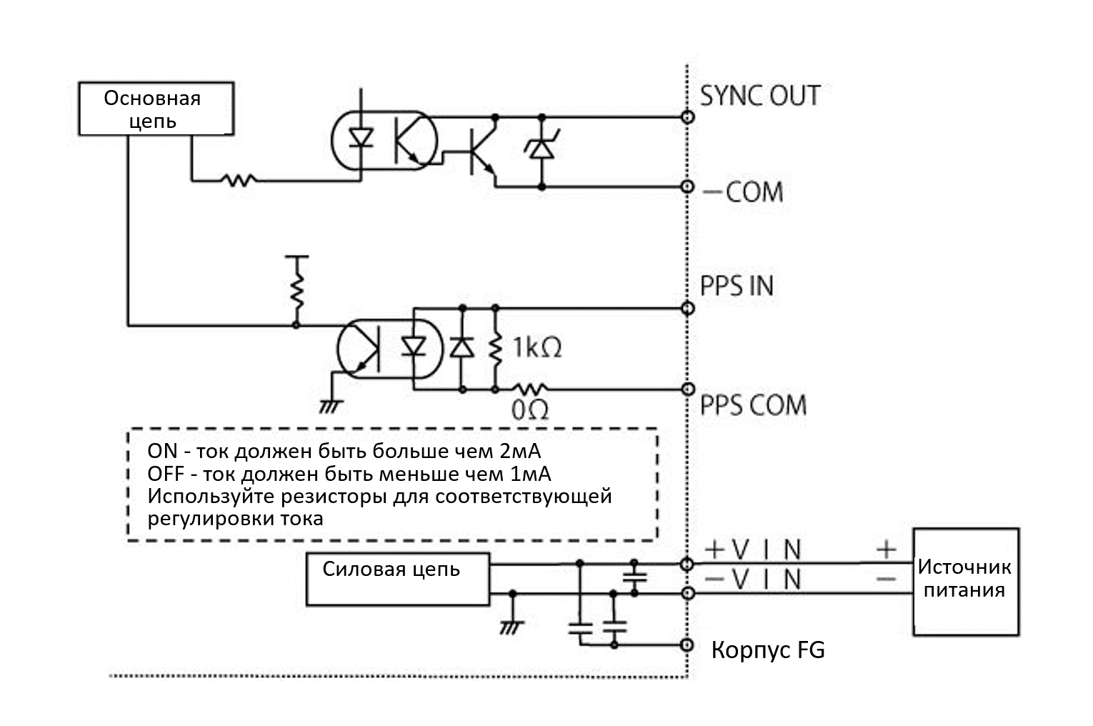
Вход / Выход |
Вход PPS: вход фотоадаптера (активный максимум при 2 мА или более) Синхронный выход: с открытым коллектором фотовыключателя (30 В пост. тока 50 мА макс.) |
|
Интерфейс |
Ethernet (TCP/IP) 100BASE-TX (автосогласование) |
|
Степень защиты |
IP67 (питание откл.) Не является водонепроницаемым |
|
Вес |
прибл. 650 г |
|
Габариты |
70мм×106мм×95мм (Ш×Д×В) |
|
Температура окружающей среды, влажность |
-10 до +50°C, ниже 85% (без росы / инея) |
|
Вибрация |
От 10 до 57,5 Гц с двойной амплитудой 1,5 м / мин 57,5 Гц до 150 Гц 98 м / с2 (10G) в течение 2 часов в каждом направлении X, Y и Z. Скорость развертки: 1 октава / мин (3,9 с / развертка) (в рабочем и в нерабочем состоянии) |
|
Уровень шума |
В переднем положении - 59 дБ (на расстоянии 250 мм) Частота 1200 Гц |
|
Фоновая освещенность |
100,000 Лк (избегайте прямых солнечных лучей) |
|
Протокол передачи данных |
VSSP 2.1 |
|
Директивы электромагнитной совместимости |
(EMI) |
Внимание: Длительность прогрева сканера составляет около 60 с после включения питания. Во время прогрева измерение не производится. Кроме того, для стабильного вертикального сканирования требуется около 2 - 3 мин.
Внимание: Подробные сведения о точности сканера см. в инструкции. Сканер поставляется с заводским предварительным тестированием только в переднем положении. Расстояние и точность обнаружения могут различаться в зависимости от направления измерения. Кроме того, вышеупомянутая точность - при температуре 25 ° С.
Осторожно: данные ближнего диапазона могут содержать шум в первом эхо облака точек верхнего направления.
Осторожно: объекты с очень низкой отражательной способностью могут не обнаруживаться в ближнем диапазоне, даже если они обнаружены в другом диапазоне.
Замечания:
· Этот сканер не сертифицирован для функциональной безопасности.
· Этот сканер нельзя использовать для обнаружения человеческого тела в соответствии с директивами по безопасности.
· Сканер использует лазер для измерения. Работа сканера может быть нестабильной под воздействием сильных световых помех, когда луч не отражается от объекта.
· Работа сканера может быть нестабильной из-за дождя, снега и тумана или из-за загрязнения пылью оптического окна.
· При работе со сканером следует строго соблюдать правила безопасности.
· Если существует риск использования сканера в оружии массового поражения и соответствующих технологиях или, когда использование для таких целей является очевидным, продажа может быть запрещена в соответствии с Законом о внешней торговле и контроле за экспортом (японское законодательство).
· Внимание. Использование элементов управления, регулировок или выполнение процедур, отличных от тех, которые указаны в спецификации, могут привести к опасному облучению.
· Перед использованием сканера обязательно ознакомьтесь с инструкцией.
| На самодвижущихся транспортных средствах (AGV) |
На роботах
|
![]() Для безопасного мониторинга и отображения местности |
![]() Для распознавания окружающих объектов
|
| На погрузчике | В городском строительстве |
Для обнаружения препятствий, сопоставления образов и измерения высоты.
|
Для определения объема и глубины раскопок. |
| В городском строительстве | В портах |
![]() Для определения профиля насыпного грунта.
|
![]() На портовых кранах для предотвращения столкновений. |
| В портах | На автопарковке |
![]() Для профилирования контейнеров и определения их положения.
|
![]() Для корректной парковки и контроля положения боковых зеркал автомобиля в пределах парковочного места.
|
| В общественных местах | На развлекательных мероприятиях |
| Для подсчета людей в торговых центрах. | Как входной интерфейс. |
Контактный разъем

■ Источник питания и разъем ввода-вывода
|
Номер разъема |
Функция |
|
1 |
+ VIN (10 ~ 30 В) |
|
2 |
PPS COM |
|
3 |
-VIN (0V) |
|
4 |
-COM |
|
5 |
SYNC OUT |
|
6 |
PPS IN |
■ Разъем Ethernet
|
Номер разъема |
Функция |
|
1 |
TX+ |
|
2 |
RD+ |
|
3 |
RD- |
|
4 |
TX- |

■ Силовой кабель
|
Модель |
Наименование |
Длина |
|
YVT-C003 |
UZ00092 |
3м |
|
YVT-C005 |
UZ00093 |
5м |
※Для каждого сканера требуется кабель
■ Кабель Ethernet
|
Модель |
Наименование |
Длина |
|
YVT-ENET003 |
UZ00095 |
3м |
|
YVT-ENET005 |
UZ00096 |
5м |
※Для каждого сканера требуется кабель
Силовой кабель |
Кабель Ethernet
|
|||||||||||||||||||||||||||||||||||||||||||||||||||||||||||||||||||||
|
|
|
|||||||||||||||||||||||||||||||||||||||||||||||||||||||||||||||||||||
|
|
|||||||||||||||||||||||||||||||||||||||||||||||||||||||||||||||||||||