Лазерные сканеры безопасности: серия UAM-05LP-T301

О компании
Hokuyo

О компании Hokuyo

Японская компания Hokuyo выпускает лазерные сканеры (также известные как лидары), современные оптические датчики и устройства оптической связи. Лазерные сканеры Hokuyo получили широкую известн...

Подробнее
Самый маленький в мире лазерный сканер безопасностиСоответствие стандартам
  • Компактный, легкий и простой в использовании.  
  • Компактный корпус подходит для широкого ряда вариантов применения от монтажа в низком положении на самодвижущейся тележке до монтажа в вертикальном положении для защиты доступа.
IEC 61496-1/3: TYPE 3
IEC 61508: SIL2
ISO13949-1: PL d категория 3
Характеристики
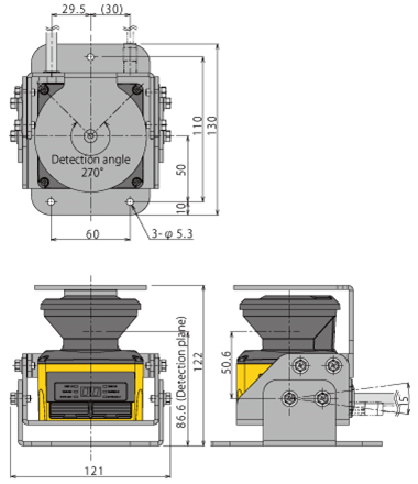
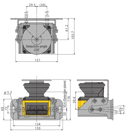
Чертежи
Технические характеристики
Применение
Функции
  • Зона безопасности: 5м,  270 °
  • Вывод данных через Ethernet
  • Функция "Главный - Подчиненный"
  • Двойная защита
  • Вход для энкодера

Внешняя диаграмма

● Датчик



  • Фиксированное состояние заднего монтажного кронштейна с крышкой


  • Фиксированное положение базового монтажного кронштейна с крышкой

Модель

UAM-05LP-T301

Защитные свойства

Зона безопасности

макс: 5м

Зона предупреждения

макс: 20м (не защищаемая)*1

Допустимое отклонение расстояния*2

+100мм

Возможность обнаружения

От черного антибликовым листа (1,8%) до световозвращающего листа

Область защиты

270°

Минимальная детектируемая ширина

φ30мм (макс : 1.8м)
φ50мм (макс: 3.0м)
φ70мм(макс: 5.0м)

Частота сканирования

30мс (скорость вращения 2000 оборотов в минуту)

Область изображений

MAX 32 образа

Время отклика

OFF : 60мс ~ 510мс
ON : 270мс ~ 510мс

Оптика

Элемент

Импульсный лазерный диод

Длина волны

905нм

Класс защиты

Лазер Класс 1

Тип

Тип 3 (IEC61496-1,I EC61496-3)

Функциональная безопасность

SIL 2(Type B, HFT=1) (IEC61508)

PFHd

7.8×10-8 (T1=20 лет) : Когда функция «Главный-подчиненный» не используется

1.6×10-7 (T1=20лет) : Когда функция «Главный-подчиненный» используется

Корпус

Размер

80.0мм (Ш) , 80.0мм (Д) , 95.0мм (В) (без кабеля)

Ширина

0.8кг

Класс защиты

IP65

Материал корпуса

Корпус : Алюминий / Оптическое окно: Поликарбонат

Соединяющий кабель

Кабель с гибким выводным разъемом : 3м

Источник питания

24V ± 10%: постоянного тока при работе с использованием преобразователя питания

24V -30% / + 20% постоянного тока: при работе с использованием батареи

Потребляемый ток

Нормальный (без нагрузки)

6 Вт

Max.(с нагрузкой)

50 Вт

Выход

OSSD1/2 (Безопасность)

Тип выхода (высокая сторона SW)

Выходной ток (макс: 500 мА) *3

Ток утечки (макс: 1мA)

AWG 26

Допуск нагрузки (L / R = 25 мс, С = 1 мкФ)

OSSD3/4(Безопасность)
ПРЕДУПРЕЖДЕНИЕ 1/2
(не связанный с безопасностью)

Типы выходов (высокая сторона SW)

Выходной ток: (Макс: 250mA) * 3

Ток утечки (макс: 1 мА)

AWG 28

Допуск нагрузки (L / R = 25 м с, С = 1 мкФ)

RES_REQ 1
RES_REQ 2
MUT_OUT 1
MUT_OUT 2

Типы выходов (PNP транзистор)

Выходной ток: (Макс: 200mA) * 3

Ток утечки (Макс: 1мА)

AWG 28

Вход

Модель зоны 32
(5 входов × 2 канала)
EDM1/EDM2
MUTING1/MUTING2
MUTING3/MUTING4
OVERRIDE1
OVERRIDE2
RESET1/RESET2
ENC_A1/ENC_A2
ENC_B1/ENC_B2

Входное сопротивление 4,7 кОм
AWG28

Интерфейс

Конфигурация

USB2.0 (USB микро-разъем типа-B)

Выходные данные

Ethernet 100BASE-TX (Водонепроницаемый разъем)

Резистентность окружающей среды

Температура

От -10 до + 50 градусов С (без замерзания)

Температура хранения

От -25 до + 70 градусов С (без замерзания)

Влажность

95% относительной влажности без конденсации

Влажность хранения

95% относительной влажности без конденсации

Выраженность окружающей среды

Менее 1500 лк

Вибрация

Диапазон воспроизводимых частот: 10 ~ 55 Гц,

Скорость развертки: 1 октава / мин

Амплитуда: 0,35 мм ± 0,05 мм

Удар

Ускорение: 98м / с2 (10G), Длительность импульса: 16 мс

Эксплуатация вне помещения

Не допускается

Абсолютная высота

Ниже 2000м


Примечание;

* 1. Расстояние, когда отражательная способность объекта составляет 90% или выше.

* 2. Дополнительное расстояние 200 мм, необходимое, когда UAM работает при высоком коэффициенте отражения фона.

* 3. Общий ток питания OSSD выхода и предупреждающего выхода должен быть ниже 1.0А.

* 4. Когда источники света расположены на ≧ 5 ° от плоскости обнаружения UAM.

Предотвращение столкновения

Защита зоны

Защита доступа

В соответствии с маршрутами перемещения самодвижущихся тележек для обнаружения объектов и для предотвращения столкновений можно задействовать 32 комплекта схем обнаружения зон.

Обнаружение людей или объектов, находящихся в в опасной зоне.

Предотвращает несанкционированный доступ в опасную зону. 
Смещение устройств фиксируется с помощью базовой функции контроля, что перекрывает доступ в опасные зоны через проходы.

Защита в широком диапазоне

Боле чем 5 метровая зона безопасности и 20-метровая зона предупреждения в зависимости от прикладных задач.


Функция «Главный – Подчиненный»

В случае защиты опасной зоны до 2 устройств серии UAM может быть соединено между собой по системе «Главный-Подчиненный». Система может управляться только путем подключения входных и выходных сигналов к модулю ведущего устройства. 

Примечание: Управление системой не возможно при подключении устройств по системе «Главный –Подчиненный» через шину.




Режим двойной защиты

UAM может одновременно защитить две опасные зоны. Для каждой из двух защитных зон инициируются соответствующие им отдельные сигналы OSSD, что делает возможным защитить две рабочие установки с помощью одного UAM.


Обзор моделей
Заказать
Отправить URL страницы
'"> Задать вопрос по продукции
Продукция
Продукция