Компания OPTEX FA Co., Ltd (Япония) образовалась в 2002г. из подразделения промышленной автоматизации японской компании OPTEX, и располагает сегодня широкой линейкой датчиков и систем для автоматизаци...
Подробнее→

| Номер модели | Описание |
|---|---|
| D3WF- TN |
Оптоволоконный усилитель, автономный, белый светодиод, 8-разрядный дисплей, NPN x 1, 2 м, кабель |
| D3WF- ТП |
Оптоволоконный усилитель, автономный, белый светодиод, 8-разрядный дисплей, PNP x 1, 2 м кабель |
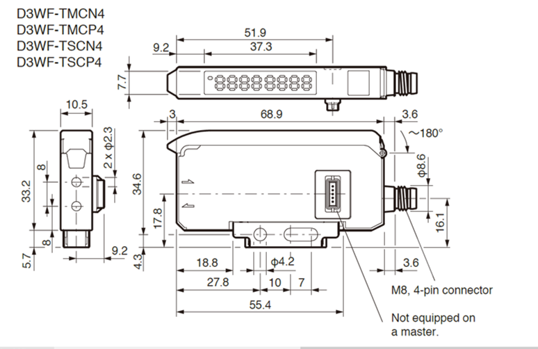
| D3WF- TMCN4 |
Оптоволоконный усилитель, Мастер, Белый светодиод, 8-разрядный дисплей, NPN x 1, M8 4-контактный разъем |
| D3WF - TMCP4 | Оптоволоконный усилитель, Мастер, Белый светодиод, 8- разрядный дисплей, PNP x 1, 4-контактный разъем M8 |
| D3WF - TSCN4 |
Оптоволоконный усилитель, ведомый, белый светодиод, 8-разрядный дисплей, NPN x 1, M8 4-контактный разъем |
| D3WF - TSCP4 | Оптоволоконный усилитель, ведомый, белый светодиод, дисплей с 8 цифрами, PNP x 1, 4-контактный разъем M8 |
| Номер модели | Описание |
|---|---|
| NF - DM01 | Оптоволоконная головка датчика, M4 SUS, диффузный отражающий, R25, 2м |
| NF- DK06 | Оптоволоконная головка датчика, M6 SUS, диффузный отражающий, R25, 2м |
| M84CN - 2S | Кабель датчика, M8 4-контактный, прямой, 2м |
| M84CN - 5S | Кабель датчика, M8 4-контактный, прямой, 5м |
| M84CN - 10S | Кабель датчика, M8 4-контактный, прямой, 10м |
| M84CN - 2L | Кабель датчика, M8 4-контактный, угловой, 2м |
| M84CN - 5L | Кабель датчика, M8 4-контактный, угловой, 5м |
| M84CN - 10L |
Кабель датчика, M8 4-контактный, угловой, 10м |


| Каталог датчиков серии D3WF Optex FA | Скачать (647,52 Кб) |