Компания OPTEX FA Co., Ltd (Япония) образовалась в 2002г. из подразделения промышленной автоматизации японской компании OPTEX, и располагает сегодня широкой линейкой датчиков и систем для автоматизаци...
Подробнее→
TOF (время прохождения светового луча) - это один из методов измерения расстояния при измерении времени прохождения сигнала до объекта.
Датчик TOF может измерять расстояние до объекта независимо от его цвета и угла.
Метод считывания TOF обеспечивает очень точное считывание, на которое не влияют фон и цвет объекта. На рабочем расстоянии 3 метра (черный цвет 6%) воспроизводимая точность составляет всего 2 мм.
Навыки компании Optex FA в технологии TOF обеспечивают сверхкомпактный гистерезис между белыми и черными объектами (2% на расстоянии 3 м)

В датчике используются два лазерных диода для компенсации температурного дрейфа времени нарастания импульса лазера. Один лазерный диод находится внутри корпуса и излучает непосредственно на принимающий диод. Другой излучает на внешнюю сторону корпуса.
За счет компенсации временной разницы между двумя лазерными импульсами измерение времени остается согласованным независимо от изменений температуры.

Датчики серии TOF, выпускаемые компанией Optex FA, сохраняют мощность излучения, не подвергаясь воздействию увеличения температуры от продолжительного использования.
За счет этого достигается лучшая в мире стабильность работы.

Имеются два потенциометра, позволяющие индивидуально регулировать порог расстояния для каждого выхода.

Бок о бок можно устанавливать до 2 шт.

12-оборотный потенциометр встраивается в датчики (отражательного типа) для точной настройки (4-оборотный потенциометр для диффузного типа).
Детектирование положения объектов на движущемся паллете.
Детектирование положения автоматически управляемой тележки.
Детектирование уровня расплавленного алюминия.
Контроль высоты свободного листа резины.






| Модель | С отражением от объекта | С отражением от рефлектора | ||||
|---|---|---|---|---|---|---|
| Кабель | NPN | Вывод 1CH | TOF-3V300N1 | TOF-3V2000N | ||
| Вывод 2CH | TOF-3V300N | - | ||||
| PNP | Вывод 1CH | TOF-3V300P1 | TOF-3V2000P | |||
| Вывод 2CH | TOF-3V300P | - | ||||
| Разъем | NPN | Вывод 1CH | TOF-3V300CN1 | TOF-3V2000CN | ||
| Вывод 2CH | TOF-3V300CN | - | ||||
| PNP | Вывод 1CH | TOF-3V300CP1 | TOF-3V2000CP | |||
| Вывод 2CH | TOF-3V300CP | - | ||||
| Цели | Непрозрачные объекты 6%... 90% | Отражатель: V-61 | ||||
| Рабочее расстояние | 3000 мм (90% белый) | 20 м с отражателем V-61 | ||||
| Источник освещения | Красный лазер λ = 650 нм (класс 1) | |||||
| Размер точки | φ12 мм на расст. 3 м | φ50 мм на расст. 20 м | ||||
| Отклонение углов пересечения оптических осей | 0,5°(9 мрад) или менее | |||||
| Гистерезис | 15% макс.: 300… 1500 мм / 6% макс.: 1500… 3000 мм | 0% макс.: 1… 4м / 3% макс.: 4… 20 м | ||||
| Разрешение | 2 мм | 10 мм | ||||
| Время отклика | 0,5 мс | 2 мс | ||||
| Режим работы | СВЕТЛО / ТЕМНО (по выбору) | |||||
| Освещенность среды | Солнечный свет: 4000 лк, лампа накаливания: 3000 лк на расст. 1 м | |||||
| Индикатор | Индикатор состояния выхода: оранжевый x 2 (2 тип выхода), стабильный выходной сигнал: зеленый | |||||
| Регулировка чувствительности | 4-оборотный потенциометр | 12-оборотный потенциометр | ||||
| Внешний ввод | Выключение (OFF) лазера. | |||||
| Защита от перекрестных помех | 2 шт. макс. | |||||
| Напряжение питания | >10 - 30 В пост. тока ±10%、70 мА макс. | |||||
| Защита контура | Обратная полярность, перегрузка | |||||
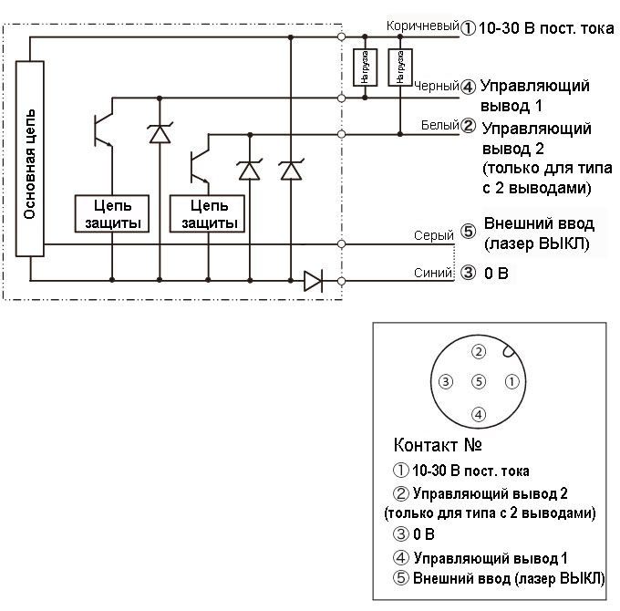
| Управляющий вывод | 2x NPN/PNP, открытый коллектор, 30 В/100 мА (остаточное напряжение 1,8В макс.) | |||||
| Соединение (кабель) | φ3,8 2 м кабель 5 жил (тип с 2 выходами), 4 жилы (тип с 1 выходом) | |||||
| Соединение (разъем M12) | M12, 5 контактов (DOL-1205-G02M-R / DOL-1205-G05M-R) | |||||
| EMC (ЭМС) | >EN60497-5-2 | |||||
| Противошумные испытания | уровень 4 | |||||
| Время разогрева | 300 мс | |||||
| Внутренняя цепь короткого замыкания | в соответствии с VDE 160 | |||||
| Пластиковые материалы | ABS/PMMA | |||||
| Степень защиты | IP67 | |||||
| Устойчивость к вибрации | 10...55 Гц | |||||
| Устойчивость к ударам | 500 м/с²(50G) | |||||
| UL | CUL | |||||
| CE | Директива по электромагнитной совместимости | |||||
| Рабочая температура / влажность | -10… +50℃, 35…85% | |||||
| Температура / влажность хранения | -40… +70℃, 35…95% | |||||
| Температурный дрейф | ±1% макс. | |||||
| Класс лазера | FDA: Класс I JIS/IEC: Класс 1 | |||||

| Руководство по эксплуатации серии TOF | Скачать (3,03 Мб) |
| Каталог серии TOF | Скачать (2,16 Мб) |
| Технические данные: TOF-3V300 | Скачать (38,44 Кб) |
| Технические данные: TOF-3V300 | Скачать (37,92 Кб) |
| Технические данные: TOF-3V300 | Скачать (69,54 Кб) |
| Технические данные: TOF-3V2000 | Скачать (79,85 Кб) |
| Технические данные: TOF-3V2000 | Скачать (32,06 Кб) |
| Технические данные: TOF-3V2000 | Скачать (41,34 Кб) |
| Чертежи серии TOF | Скачать (3,55 Мб) |
| Чертежи серии TOF | Скачать (44,53 Кб) |
| Чертежи серии TOF | Скачать (47,91 Кб) |
| Чертежи серии TOF | Скачать (47,37 Кб) |
| Чертежи серии TOF | Скачать (2,62 Мб) |
| Чертежи серии TOF | Скачать (44,49 Кб) |
| Чертежи серии TOF | Скачать (90,26 Кб) |
| Чертежи серии TOF | Скачать (47,78 Кб) |