Фильтр товаров

Вращательный абсолютный энкодер положения: Абсолютный энкодер CEH58 - AS

О компании
TR-Electronic

О компании TR-Electronic

TR-Electronic со своими сильными швабскими корнями активно работает сегодня в разных странах мира. Компания особенно сильна в отраслях, связанных со станкостроением. Помимо штаб-квартиры в г. Троссинг...

Подробнее

Характеристики

  • Специальные клиентские решения
  • Гибкое программирование
  • Возможность использования дополнительных интерфейсов
  • Модульная механическая конструкция
  • Модульная линейка продукции
  • Короткий период подготовки
Характеристики
Рабочие условия
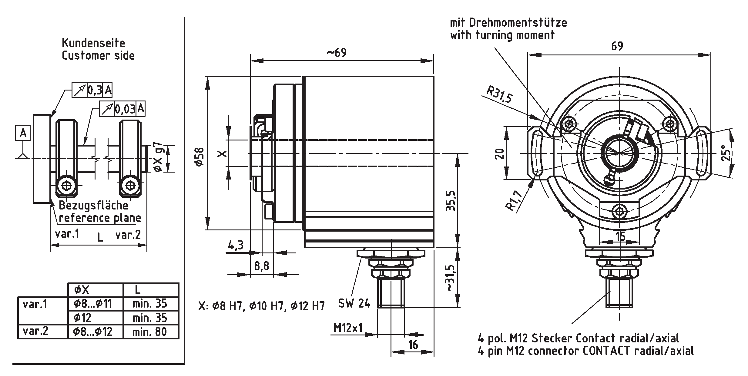
Чертеж
Файлы
Развернутая информация о продукции - Абсолютный энкодер CEH58 - AS
Питание
Напряжение питания
29,5…31,6 В-
Потребление тока без нагрузки  
<= 130 мА
Конструкция устройства
Тип
Одно-/многооборотный
Общее разрешение  
<= 28 бит
Число шагов на оборот  
<= 8192
Число оборотов  
<= 32768
Выходная мощность  
<= 16 бит
Интерфейс привод-датчик
Интерфейс привод-датчик
EN 50 295, IEC62026-2
Передача данных
2 провода, без экранирования
Число вспомогательных
31 вспомогательный = 7 энкодеров
Способ доступа к шине
Главный-вспомогательный
Скорость передачи данных
Удельное значение
53,3 кбит/с нетто
Удельное значение
167 кбит/с брутто
Время цикла  
<= 5000 мкс (31 вспом.)
Параметр/Функция, возможность изменения  
Разрешение - деление на четыре
 
Выходной код
 
Настройка на ноль
 
Значение позиции - хранение
 
Направление отсчета
Тип параметризации  
программируется
Инструмент для программирования  
Устройство интерфейсной шины
Максимальная скорость, мех.  
<= 6000 1/мин.
Нагрузка на вал, осевая/радиальная  
Собственная масса
Срок службы подшипника  
>= 3,9E+10 оборотов
Срок службы подшипника - параметры
Скорость
6000 1/мин.
Рабочая температура
± 60 °
Угловое ускорение  
<= 10E+4 рад/с²
Момент инерции, стандартный  
2,5E-6 кг м²
Момент запуска, 20 °C  
3,7 Н-см
Масса, стандартная  
0,3…0,5 кг
Общие условия эксплуатации абсолютного энкодера CEH58 - AS
Вибрации
Удельное значение
<= 100 м/с²
Синусоида
50…2000 Гц
Удары
Удельное значение
<= 1000 м/с²
Половина синусоиды
11 мс
Устойчивость к помехам  
DIN EN 61000-6-2
Переходное излучение  
DIN EN 61000-6-3
Рабочая температура
Стандартное значение
0…+60 °C
Дополнительно
-20…+70 °C
Температура хранения, сух.  
-30…+80 °C
Относительная влажность  
98 %, без конденсации
Класс защиты
Стандартное значение
IP54
Drawing
Absolute-Encoder CEH58 - AS
K-CEH58-AS-1.pdfСкачать (917,94 Кб) 
Обзор моделей
Абсолютный энкодер CDF36S - SSI
Подробнее
Абсолютный энкодер CDF36S - SSI
Абсолютный энкодер CDH75M - PB + FS
Подробнее
Абсолютный энкодер CDH75M - PB + FS
Абсолютный энкодер CDH75M - EPN + FS
Подробнее
Абсолютный энкодер CDH75M - EPN + FS
Абсолютный энкодер CDH75M EPN+FS SealPack
Подробнее
Абсолютный энкодер CDH75M EPN+FS SealPack
Абсолютный энкодер CDH75M - SSI + FS
Подробнее
Абсолютный энкодер CDH75M - SSI + FS
Абсолютный энкодер CDS58 - M
Подробнее
Абсолютный энкодер CDS58 - M
Абсолютный энкодер CDV36S - SSI
Подробнее
Абсолютный энкодер CDV36S - SSI
Абсолютный энкодер CDV36M - SSI
Подробнее
Абсолютный энкодер CDV36M - SSI
Абсолютный энкодер CDV58 - M
Подробнее
Абсолютный энкодер CDV58 - M
Абсолютный энкодер CEV58 - SSI
Подробнее
Абсолютный энкодер CEV58 - SSI
Абсолютный энкодер CDV75M - PB + FS
Подробнее
Абсолютный энкодер CDV75M - PB + FS
Абсолютный энкодер CDV75M - EPN + FS
Подробнее
Абсолютный энкодер CDV75M - EPN + FS
Абсолютный энкодер CDV75M EPN+FS SealPack
Подробнее
Абсолютный энкодер CDV75M EPN+FS SealPack
Абсолютный энкодер CDV75M - SSI + FS
Подробнее
Абсолютный энкодер CDV75M - SSI + FS
Абсолютный энкодер CEH110 - ETC
Подробнее
Абсолютный энкодер CEH110 - ETC
Абсолютный энкодер CEH110 - PB
Подробнее
Абсолютный энкодер CEH110 - PB
Абсолютный энкодер CEH110 - SSI
Подробнее
Абсолютный энкодер CEH110 - SSI
Абсолютный энкодер CEH160 - ETC / SSI
Подробнее
Абсолютный энкодер CEH160 - ETC / SSI
Абсолютный энкодер CEH58 - AS
Подробнее
Абсолютный энкодер CEH58 - AS
Абсолютный энкодер CEH58 - CO
Подробнее
Абсолютный энкодер CEH58 - CO
Абсолютный энкодер CEH58 - DN
Подробнее
Абсолютный энкодер CEH58 - DN
Абсолютный энкодер CEH58 - ETC
Подробнее
Абсолютный энкодер CEH58 - ETC
Абсолютный энкодер CEH58 - PB
Подробнее
Абсолютный энкодер CEH58 - PB
Абсолютный энкодер CEH58 - EPN
Подробнее
Абсолютный энкодер CEH58 - EPN
Абсолютный энкодер CEH58S - P
Подробнее
Абсолютный энкодер CEH58S - P
Абсолютный энкодер CEH58 - SSI
Подробнее
Абсолютный энкодер CEH58 - SSI
Абсолютный энкодер CEH80 - ETC
Подробнее
Абсолютный энкодер CEH80 - ETC
Абсолютный энкодер CEH80 - PB
Подробнее
Абсолютный энкодер CEH80 - PB
Абсолютный энкодер CEH80 - SSI
Подробнее
Абсолютный энкодер CEH80 - SSI
Абсолютный энкодер CEK58 - AS
Подробнее
Абсолютный энкодер CEK58 - AS
Абсолютный энкодер CEK58 - CO
Подробнее
Абсолютный энкодер CEK58 - CO
Абсолютный энкодер CEK58 - DN
Подробнее
Абсолютный энкодер CEK58 - DN
Абсолютный энкодер CEK58 - EIP
Подробнее
Абсолютный энкодер CEK58 - EIP
Абсолютный энкодер CEK58 - ES3
Подробнее
Абсолютный энкодер CEK58 - ES3
Абсолютный энкодер CEK58 - ETC
Подробнее
Абсолютный энкодер CEK58 - ETC
Абсолютный энкодер CEK58 - ETC
Подробнее
Абсолютный энкодер CEK58 - ETC
Абсолютный энкодер CEK58 - PB
Подробнее
Абсолютный энкодер CEK58 - PB
Абсолютный энкодер CEK58 - EPN
Подробнее
Абсолютный энкодер CEK58 - EPN
Абсолютный энкодер CEK58 - EPN
Подробнее
Абсолютный энкодер CEK58 - EPN
Абсолютный энкодер CEK58S - P
Подробнее
Абсолютный энкодер CEK58S - P
Абсолютный энкодер CEK58 - SSI
Подробнее
Абсолютный энкодер CEK58 - SSI
Абсолютный энкодер CEK65 - EIP
Подробнее
Абсолютный энкодер CEK65 - EIP
Абсолютный энкодер CES58 - AS
Подробнее
Абсолютный энкодер CES58 - AS
Абсолютный энкодер CES58 - CO
Подробнее
Абсолютный энкодер CES58 - CO
Абсолютный энкодер CEV58 - DN
Подробнее
Абсолютный энкодер CEV58 - DN
Абсолютный энкодер CES58 - EIP
Подробнее
Абсолютный энкодер CES58 - EIP
Абсолютный энкодер CES58 - ES3
Подробнее
Абсолютный энкодер CES58 - ES3
Абсолютный энкодер CES58 - ETC
Подробнее
Абсолютный энкодер CES58 - ETC
Абсолютный энкодер CES58 - ETC
Подробнее
Абсолютный энкодер CES58 - ETC
Абсолютный энкодер CES58 - ETC
Подробнее
Абсолютный энкодер CES58 - ETC
Абсолютный энкодер CES58 - PB
Подробнее
Абсолютный энкодер CES58 - PB
Абсолютный энкодер CES58 - EPN
Подробнее
Абсолютный энкодер CES58 - EPN
Абсолютный энкодер CES58 - EPN
Подробнее
Абсолютный энкодер CES58 - EPN
Абсолютный энкодер CES58S - P
Подробнее
Абсолютный энкодер CES58S - P
Абсолютный энкодер CES58 - SSI
Подробнее
Абсолютный энкодер CES58 - SSI
Абсолютный энкодер CES65 - A / SSI
Подробнее
Абсолютный энкодер CES65 - A / SSI
Абсолютный энкодер CES65 - EIP
Подробнее
Абсолютный энкодер CES65 - EIP
Абсолютный энкодер CES65 - PB / SSI
Подробнее
Абсолютный энкодер CES65 - PB / SSI
Абсолютный энкодер CES65 - SSI
Подробнее
Абсолютный энкодер CES65 - SSI
Абсолютный энкодер CEV58 - ASI
Подробнее
Абсолютный энкодер CEV58 - ASI
Абсолютный энкодер CEV58 - AS
Подробнее
Абсолютный энкодер CEV58 - AS
Абсолютный энкодер CEV58 - CO
Подробнее
Абсолютный энкодер CEV58 - CO
Абсолютный энкодер CEV58 - DN
Подробнее
Абсолютный энкодер CEV58 - DN
Абсолютный энкодер CEV58 - EIP
Подробнее
Абсолютный энкодер CEV58 - EIP
Абсолютный энкодер CEV58 - ES3
Подробнее
Абсолютный энкодер CEV58 - ES3
Абсолютный энкодер CEV58 - ETC
Подробнее
Абсолютный энкодер CEV58 - ETC
Абсолютный энкодер CEV58 - ETC
Подробнее
Абсолютный энкодер CEV58 - ETC
Абсолютный энкодер CEV58 - ETC
Подробнее
Абсолютный энкодер CEV58 - ETC
Абсолютный энкодер CEV58 - PB, Plugs
Подробнее
Абсолютный энкодер CEV58 - PB, Plugs
Абсолютный энкодер CEV58 - PB, Cable
Подробнее
Абсолютный энкодер CEV58 - PB, Cable
Абсолютный энкодер CEV58 - EPN
Подробнее
Абсолютный энкодер CEV58 - EPN
Абсолютный энкодер CEV58 - EPN
Подробнее
Абсолютный энкодер CEV58 - EPN
Абсолютный энкодер CEV58S - P
Подробнее
Абсолютный энкодер CEV58S - P
Абсолютный энкодер CEV58 - SSI
Подробнее
Абсолютный энкодер CEV58 - SSI
Абсолютный энкодер CEV65 - ASI
Подробнее
Абсолютный энкодер CEV65 - ASI
Абсолютный энкодер CEV65 - A / SSI
Подробнее
Абсолютный энкодер CEV65 - A / SSI
Абсолютный энкодер CEV65 - CO
Подробнее
Абсолютный энкодер CEV65 - CO
Абсолютный энкодер CEV65 - EIP
Подробнее
Абсолютный энкодер CEV65 - EIP
Абсолютный энкодер CEV65 - EPL
Подробнее
Абсолютный энкодер CEV65 - EPL
Абсолютный энкодер CEV65 - CAM
Подробнее
Абсолютный энкодер CEV65 - CAM
Абсолютный энкодер CEV65 - PB / SSI
Подробнее
Абсолютный энкодер CEV65 - PB / SSI
Абсолютный энкодер CEV65 - P
Подробнее
Абсолютный энкодер CEV65 - P
Абсолютный энкодер CEV65 - SSI
Подробнее
Абсолютный энкодер CEV65 - SSI
Абсолютный энкодер CMF36S - SSI
Подробнее
Абсолютный энкодер CMF36S - SSI
Абсолютный энкодер CMH58 - SSI
Подробнее
Абсолютный энкодер CMH58 - SSI
Абсолютный энкодер CMK58 - A
Подробнее
Абсолютный энкодер CMK58 - A
Абсолютный энкодер CMK58 - SSI
Подробнее
Абсолютный энкодер CMK58 - SSI
Абсолютный энкодер CMS58 - A
Подробнее
Абсолютный энкодер CMS58 - A
Абсолютный энкодер CMS58 - CO
Подробнее
Абсолютный энкодер CMS58 - CO
Абсолютный энкодер CMS58 - PB
Подробнее
Абсолютный энкодер CMS58 - PB
Абсолютный энкодер CMS58 - SSI
Подробнее
Абсолютный энкодер CMS58 - SSI
Абсолютный энкодер CMV22 - ASI
Подробнее
Абсолютный энкодер CMV22 - ASI
Абсолютный энкодер CMV22 - A, <= 256 об.
Подробнее
Абсолютный энкодер CMV22 - A, <= 256 об.
Абсолютный энкодер CMV22 - A, <= 4096 об.
Подробнее
Абсолютный энкодер CMV22 - A, <= 4096 об.
Абсолютный энкодер CMV22 - SSI
Подробнее
Абсолютный энкодер CMV22 - SSI
Абсолютный энкодер CMV36 - DQ
Подробнее
Абсолютный энкодер CMV36 - DQ
Абсолютный энкодер CMV36S - SSI
Подробнее
Абсолютный энкодер CMV36S - SSI
Абсолютный энкодер CMV36M - SSI
Подробнее
Абсолютный энкодер CMV36M - SSI
Абсолютный энкодер CMV58 - A
Подробнее
Абсолютный энкодер CMV58 - A
Абсолютный энкодер CMV58 - CO
Подробнее
Абсолютный энкодер CMV58 - CO
Абсолютный энкодер CMV58 - PB
Подробнее
Абсолютный энкодер CMV58 - PB
Абсолютный энкодер CMV58 - SSI
Подробнее
Абсолютный энкодер CMV58 - SSI
Абсолютный энкодер CMV65 - PB
Подробнее
Абсолютный энкодер CMV65 - PB
Абсолютный энкодер CMV65 - SSI
Подробнее
Абсолютный энкодер CMV65 - SSI
Абсолютный энкодер CMV69 - A
Подробнее
Абсолютный энкодер CMV69 - A
Абсолютный энкодер COH110 - ETC
Подробнее
Абсолютный энкодер COH110 - ETC
Абсолютный энкодер COH110 - PB
Подробнее
Абсолютный энкодер COH110 - PB
Абсолютный энкодер COH110 - SSI
Подробнее
Абсолютный энкодер COH110 - SSI
Абсолютный энкодер COH58 - CO
Подробнее
Абсолютный энкодер COH58 - CO
Абсолютный энкодер COH58 - ETC
Подробнее
Абсолютный энкодер COH58 - ETC
Абсолютный энкодер COH58 - PB
Подробнее
Абсолютный энкодер COH58 - PB
Абсолютный энкодер COH58 - EPN
Подробнее
Абсолютный энкодер COH58 - EPN
Абсолютный энкодер COH58 - SSI
Подробнее
Абсолютный энкодер COH58 - SSI
Абсолютный энкодер COH80 - ETC
Подробнее
Абсолютный энкодер COH80 - ETC
Абсолютный энкодер COH80 - PB
Подробнее
Абсолютный энкодер COH80 - PB
Абсолютный энкодер COH80 - SSI
Подробнее
Абсолютный энкодер COH80 - SSI
Абсолютный энкодер COK58 - CO
Подробнее
Абсолютный энкодер COK58 - CO
Абсолютный энкодер COK58 - ETC
Подробнее
Абсолютный энкодер COK58 - ETC
Абсолютный энкодер COK58 - PB
Подробнее
Абсолютный энкодер COK58 - PB
Абсолютный энкодер COK58 - EPN
Подробнее
Абсолютный энкодер COK58 - EPN
Абсолютный энкодер COK58 - SSI
Подробнее
Абсолютный энкодер COK58 - SSI
Абсолютный энкодер COS58 - CO
Подробнее
Абсолютный энкодер COS58 - CO
Абсолютный энкодер COS58 - ETC
Подробнее
Абсолютный энкодер COS58 - ETC
Абсолютный энкодер COS58 - PB
Подробнее
Абсолютный энкодер COS58 - PB
Абсолютный энкодер COS58 - EPN
Подробнее
Абсолютный энкодер COS58 - EPN
Абсолютный энкодер COS58 - SSI
Подробнее
Абсолютный энкодер COS58 - SSI
Абсолютный энкодер COV58 - CO
Подробнее
Абсолютный энкодер COV58 - CO
Абсолютный энкодер COV58 - ETC
Подробнее
Абсолютный энкодер COV58 - ETC
Абсолютный энкодер COV58 - PB
Подробнее
Абсолютный энкодер COV58 - PB
Абсолютный энкодер COV58 - EPN
Подробнее
Абсолютный энкодер COV58 - EPN
Абсолютный энкодер COV58 - SSI
Подробнее
Абсолютный энкодер COV58 - SSI
Абсолютный энкодер COV65 - A / SSI
Подробнее
Абсолютный энкодер COV65 - A / SSI
Абсолютный энкодер COV65 - EIP
Подробнее
Абсолютный энкодер COV65 - EIP
Абсолютный энкодер COV65 - EPL
Подробнее
Абсолютный энкодер COV65 - EPL
Абсолютный энкодер COV65 - SSI
Подробнее
Абсолютный энкодер COV65 - SSI
Абсолютный энкодер QDH80M - SSI / INK
Подробнее
Абсолютный энкодер QDH80M - SSI / INK
Абсолютный энкодер QDH81M - SSI / INK
Подробнее
Абсолютный энкодер QDH81M - SSI / INK
Абсолютный энкодер QEH80 - PB
Подробнее
Абсолютный энкодер QEH80 - PB
Абсолютный энкодер QEH80 - SSI
Подробнее
Абсолютный энкодер QEH80 - SSI
Абсолютный энкодер QEH81 - PB / SSI
Подробнее
Абсолютный энкодер QEH81 - PB / SSI
Заказать
Отправить URL страницы
'"> Задать вопрос по продукции
Продукция
Продукция