Фильтр товаров

Вращательный абсолютный энкодер положения: Абсолютный энкодер CMV65 - SSI

О компании
TR-Electronic

О компании TR-Electronic

TR-Electronic со своими сильными швабскими корнями активно работает сегодня в разных странах мира. Компания особенно сильна в отраслях, связанных со станкостроением. Помимо штаб-квартиры в г. Троссинг...

Подробнее

Характеристики

  • Экономичная альтернатива
  • Возможность использования дополнительных интерфейсов
  • Прочная стандартная конструкция
  • Короткий период подготовки
Характеристики
Рабочие условия
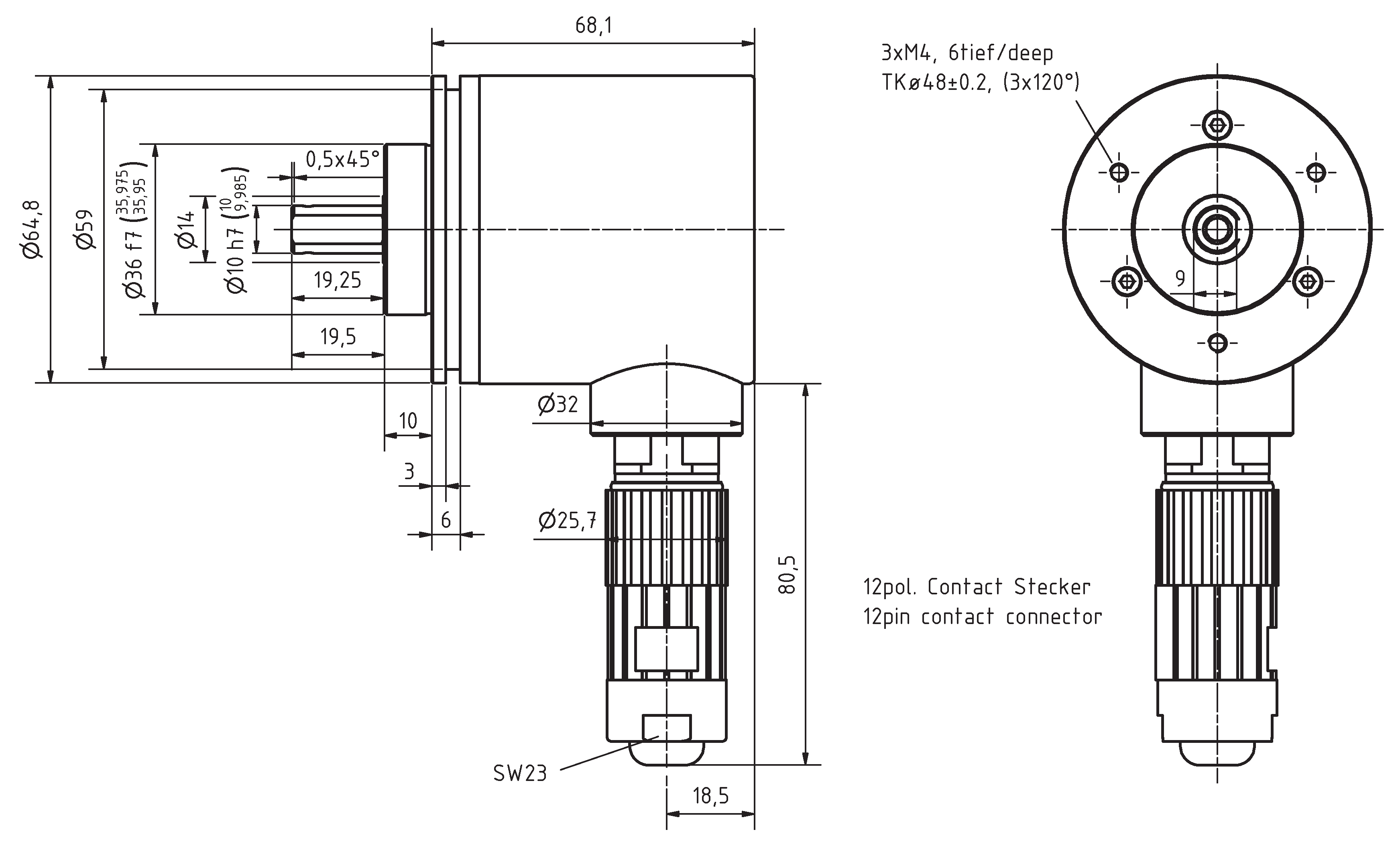
Чертеж
Файлы
Развернутая информация о продукции - Абсолютный энкодер CMV65 - SSI
Питание
Напряжение питания
11…27 В-
Потребление тока без нагрузки  
<= 150 мА
Конструкция устройства
Тип
Одно-/многооборотный
Общее разрешение  
<= 23 бит
Число шагов на оборот  
<= 2048
Число оборотов  
<= 4096
Точность  
± 1,0 °
SSI - интерфейс
Вход синхронизации SSI
Оптопара
Выход данных SSI
RS-422, 2-проводной
Частота синхронизации SSI
80…1000 кГц
Одноканальное время SSI, стандартное
20 мкс
Параметр/Функция, возможность изменения  
Разрешение
 
Выходной код
 
Число битов данных
 
Предварительно установленный параметр
 
Направление отсчета
Тип параметризации  
программируется
Инструмент для программирования  
Программное обеспечение TR: TRWinProg
Внешние входы
F/R
Направление отсчета
Предустановлено
Электронная настройка
Логический уровень
"0“ < +2 В, "1“ = Питание
Максимальная скорость, мех.  
<= 6000 1/мин.
Нагрузка на вал, осевая/радиальная  
<= 40 N, <= 60 N
Срок службы подшипника  
>= 3,9E+10 оборотов
Срок службы подшипника - параметры
Скорость
3000 1/мин.
Рабочая температура
± 60 °
Нагрузка на вал, осевая/радиальная
<= 20 N, <= 30 N
Начальная точка, нагрузка на вал  
на конце вала
Угловое ускорение  
<= 10E+4 рад/с²
Момент инерции, стандартный  
2,5E-6 кг м²
Момент запуска, 20 °C  
2 Н-см
Масса, стандартная  
0,7 кг
Общие условия эксплуатации абсолютного энкодера CMV65 - SSI
Вибрации
Удельное значение
<= 100 м/с²
Синусоида
50…2000 Гц
Удары
Удельное значение
<= 1000 м/с²
Половина синусоиды
11 мс
Устойчивость к помехам  
DIN EN 61000-6-2
Переходное излучение  
DIN EN 61000-6-3
Рабочая температура
Стандартное значение
0…+60 °C
Дополнительно
-20…+70 °C
Температура хранения, сух.  
-30…+85 °C
Относительная влажность  
98 %, без конденсации
Класс защиты
Стандартное значение
IP65
Drawing
Absolute-Encoder CMV65 - SSI
K-CMV65-SSI-1.pdfСкачать (946,23 Кб) 
Обзор моделей
Абсолютный энкодер CDF36S - SSI
Подробнее
Абсолютный энкодер CDF36S - SSI
Абсолютный энкодер CDH75M - PB + FS
Подробнее
Абсолютный энкодер CDH75M - PB + FS
Абсолютный энкодер CDH75M - EPN + FS
Подробнее
Абсолютный энкодер CDH75M - EPN + FS
Абсолютный энкодер CDH75M EPN+FS SealPack
Подробнее
Абсолютный энкодер CDH75M EPN+FS SealPack
Абсолютный энкодер CDH75M - SSI + FS
Подробнее
Абсолютный энкодер CDH75M - SSI + FS
Абсолютный энкодер CDS58 - M
Подробнее
Абсолютный энкодер CDS58 - M
Абсолютный энкодер CDV36S - SSI
Подробнее
Абсолютный энкодер CDV36S - SSI
Абсолютный энкодер CDV36M - SSI
Подробнее
Абсолютный энкодер CDV36M - SSI
Абсолютный энкодер CDV58 - M
Подробнее
Абсолютный энкодер CDV58 - M
Абсолютный энкодер CEV58 - SSI
Подробнее
Абсолютный энкодер CEV58 - SSI
Абсолютный энкодер CDV75M - PB + FS
Подробнее
Абсолютный энкодер CDV75M - PB + FS
Абсолютный энкодер CDV75M - EPN + FS
Подробнее
Абсолютный энкодер CDV75M - EPN + FS
Абсолютный энкодер CDV75M EPN+FS SealPack
Подробнее
Абсолютный энкодер CDV75M EPN+FS SealPack
Абсолютный энкодер CDV75M - SSI + FS
Подробнее
Абсолютный энкодер CDV75M - SSI + FS
Абсолютный энкодер CEH110 - ETC
Подробнее
Абсолютный энкодер CEH110 - ETC
Абсолютный энкодер CEH110 - PB
Подробнее
Абсолютный энкодер CEH110 - PB
Абсолютный энкодер CEH110 - SSI
Подробнее
Абсолютный энкодер CEH110 - SSI
Абсолютный энкодер CEH160 - ETC / SSI
Подробнее
Абсолютный энкодер CEH160 - ETC / SSI
Абсолютный энкодер CEH58 - AS
Подробнее
Абсолютный энкодер CEH58 - AS
Абсолютный энкодер CEH58 - CO
Подробнее
Абсолютный энкодер CEH58 - CO
Абсолютный энкодер CEH58 - DN
Подробнее
Абсолютный энкодер CEH58 - DN
Абсолютный энкодер CEH58 - ETC
Подробнее
Абсолютный энкодер CEH58 - ETC
Абсолютный энкодер CEH58 - PB
Подробнее
Абсолютный энкодер CEH58 - PB
Абсолютный энкодер CEH58 - EPN
Подробнее
Абсолютный энкодер CEH58 - EPN
Абсолютный энкодер CEH58S - P
Подробнее
Абсолютный энкодер CEH58S - P
Абсолютный энкодер CEH58 - SSI
Подробнее
Абсолютный энкодер CEH58 - SSI
Абсолютный энкодер CEH80 - ETC
Подробнее
Абсолютный энкодер CEH80 - ETC
Абсолютный энкодер CEH80 - PB
Подробнее
Абсолютный энкодер CEH80 - PB
Абсолютный энкодер CEH80 - SSI
Подробнее
Абсолютный энкодер CEH80 - SSI
Абсолютный энкодер CEK58 - AS
Подробнее
Абсолютный энкодер CEK58 - AS
Абсолютный энкодер CEK58 - CO
Подробнее
Абсолютный энкодер CEK58 - CO
Абсолютный энкодер CEK58 - DN
Подробнее
Абсолютный энкодер CEK58 - DN
Абсолютный энкодер CEK58 - EIP
Подробнее
Абсолютный энкодер CEK58 - EIP
Абсолютный энкодер CEK58 - ES3
Подробнее
Абсолютный энкодер CEK58 - ES3
Абсолютный энкодер CEK58 - ETC
Подробнее
Абсолютный энкодер CEK58 - ETC
Абсолютный энкодер CEK58 - ETC
Подробнее
Абсолютный энкодер CEK58 - ETC
Абсолютный энкодер CEK58 - PB
Подробнее
Абсолютный энкодер CEK58 - PB
Абсолютный энкодер CEK58 - EPN
Подробнее
Абсолютный энкодер CEK58 - EPN
Абсолютный энкодер CEK58 - EPN
Подробнее
Абсолютный энкодер CEK58 - EPN
Абсолютный энкодер CEK58S - P
Подробнее
Абсолютный энкодер CEK58S - P
Абсолютный энкодер CEK58 - SSI
Подробнее
Абсолютный энкодер CEK58 - SSI
Абсолютный энкодер CEK65 - EIP
Подробнее
Абсолютный энкодер CEK65 - EIP
Абсолютный энкодер CES58 - AS
Подробнее
Абсолютный энкодер CES58 - AS
Абсолютный энкодер CES58 - CO
Подробнее
Абсолютный энкодер CES58 - CO
Абсолютный энкодер CEV58 - DN
Подробнее
Абсолютный энкодер CEV58 - DN
Абсолютный энкодер CES58 - EIP
Подробнее
Абсолютный энкодер CES58 - EIP
Абсолютный энкодер CES58 - ES3
Подробнее
Абсолютный энкодер CES58 - ES3
Абсолютный энкодер CES58 - ETC
Подробнее
Абсолютный энкодер CES58 - ETC
Абсолютный энкодер CES58 - ETC
Подробнее
Абсолютный энкодер CES58 - ETC
Абсолютный энкодер CES58 - ETC
Подробнее
Абсолютный энкодер CES58 - ETC
Абсолютный энкодер CES58 - PB
Подробнее
Абсолютный энкодер CES58 - PB
Абсолютный энкодер CES58 - EPN
Подробнее
Абсолютный энкодер CES58 - EPN
Абсолютный энкодер CES58 - EPN
Подробнее
Абсолютный энкодер CES58 - EPN
Абсолютный энкодер CES58S - P
Подробнее
Абсолютный энкодер CES58S - P
Абсолютный энкодер CES58 - SSI
Подробнее
Абсолютный энкодер CES58 - SSI
Абсолютный энкодер CES65 - A / SSI
Подробнее
Абсолютный энкодер CES65 - A / SSI
Абсолютный энкодер CES65 - EIP
Подробнее
Абсолютный энкодер CES65 - EIP
Абсолютный энкодер CES65 - PB / SSI
Подробнее
Абсолютный энкодер CES65 - PB / SSI
Абсолютный энкодер CES65 - SSI
Подробнее
Абсолютный энкодер CES65 - SSI
Абсолютный энкодер CEV58 - ASI
Подробнее
Абсолютный энкодер CEV58 - ASI
Абсолютный энкодер CEV58 - AS
Подробнее
Абсолютный энкодер CEV58 - AS
Абсолютный энкодер CEV58 - CO
Подробнее
Абсолютный энкодер CEV58 - CO
Абсолютный энкодер CEV58 - DN
Подробнее
Абсолютный энкодер CEV58 - DN
Абсолютный энкодер CEV58 - EIP
Подробнее
Абсолютный энкодер CEV58 - EIP
Абсолютный энкодер CEV58 - ES3
Подробнее
Абсолютный энкодер CEV58 - ES3
Абсолютный энкодер CEV58 - ETC
Подробнее
Абсолютный энкодер CEV58 - ETC
Абсолютный энкодер CEV58 - ETC
Подробнее
Абсолютный энкодер CEV58 - ETC
Абсолютный энкодер CEV58 - ETC
Подробнее
Абсолютный энкодер CEV58 - ETC
Абсолютный энкодер CEV58 - PB, Plugs
Подробнее
Абсолютный энкодер CEV58 - PB, Plugs
Абсолютный энкодер CEV58 - PB, Cable
Подробнее
Абсолютный энкодер CEV58 - PB, Cable
Абсолютный энкодер CEV58 - EPN
Подробнее
Абсолютный энкодер CEV58 - EPN
Абсолютный энкодер CEV58 - EPN
Подробнее
Абсолютный энкодер CEV58 - EPN
Абсолютный энкодер CEV58S - P
Подробнее
Абсолютный энкодер CEV58S - P
Абсолютный энкодер CEV58 - SSI
Подробнее
Абсолютный энкодер CEV58 - SSI
Абсолютный энкодер CEV65 - ASI
Подробнее
Абсолютный энкодер CEV65 - ASI
Абсолютный энкодер CEV65 - A / SSI
Подробнее
Абсолютный энкодер CEV65 - A / SSI
Абсолютный энкодер CEV65 - CO
Подробнее
Абсолютный энкодер CEV65 - CO
Абсолютный энкодер CEV65 - EIP
Подробнее
Абсолютный энкодер CEV65 - EIP
Абсолютный энкодер CEV65 - EPL
Подробнее
Абсолютный энкодер CEV65 - EPL
Абсолютный энкодер CEV65 - CAM
Подробнее
Абсолютный энкодер CEV65 - CAM
Абсолютный энкодер CEV65 - PB / SSI
Подробнее
Абсолютный энкодер CEV65 - PB / SSI
Абсолютный энкодер CEV65 - P
Подробнее
Абсолютный энкодер CEV65 - P
Абсолютный энкодер CEV65 - SSI
Подробнее
Абсолютный энкодер CEV65 - SSI
Абсолютный энкодер CMF36S - SSI
Подробнее
Абсолютный энкодер CMF36S - SSI
Абсолютный энкодер CMH58 - SSI
Подробнее
Абсолютный энкодер CMH58 - SSI
Абсолютный энкодер CMK58 - A
Подробнее
Абсолютный энкодер CMK58 - A
Абсолютный энкодер CMK58 - SSI
Подробнее
Абсолютный энкодер CMK58 - SSI
Абсолютный энкодер CMS58 - A
Подробнее
Абсолютный энкодер CMS58 - A
Абсолютный энкодер CMS58 - CO
Подробнее
Абсолютный энкодер CMS58 - CO
Абсолютный энкодер CMS58 - PB
Подробнее
Абсолютный энкодер CMS58 - PB
Абсолютный энкодер CMS58 - SSI
Подробнее
Абсолютный энкодер CMS58 - SSI
Абсолютный энкодер CMV22 - ASI
Подробнее
Абсолютный энкодер CMV22 - ASI
Абсолютный энкодер CMV22 - A, <= 256 об.
Подробнее
Абсолютный энкодер CMV22 - A, <= 256 об.
Абсолютный энкодер CMV22 - A, <= 4096 об.
Подробнее
Абсолютный энкодер CMV22 - A, <= 4096 об.
Абсолютный энкодер CMV22 - SSI
Подробнее
Абсолютный энкодер CMV22 - SSI
Абсолютный энкодер CMV36 - DQ
Подробнее
Абсолютный энкодер CMV36 - DQ
Абсолютный энкодер CMV36S - SSI
Подробнее
Абсолютный энкодер CMV36S - SSI
Абсолютный энкодер CMV36M - SSI
Подробнее
Абсолютный энкодер CMV36M - SSI
Абсолютный энкодер CMV58 - A
Подробнее
Абсолютный энкодер CMV58 - A
Абсолютный энкодер CMV58 - CO
Подробнее
Абсолютный энкодер CMV58 - CO
Абсолютный энкодер CMV58 - PB
Подробнее
Абсолютный энкодер CMV58 - PB
Абсолютный энкодер CMV58 - SSI
Подробнее
Абсолютный энкодер CMV58 - SSI
Абсолютный энкодер CMV65 - PB
Подробнее
Абсолютный энкодер CMV65 - PB
Абсолютный энкодер CMV65 - SSI
Подробнее
Абсолютный энкодер CMV65 - SSI
Абсолютный энкодер CMV69 - A
Подробнее
Абсолютный энкодер CMV69 - A
Абсолютный энкодер COH110 - ETC
Подробнее
Абсолютный энкодер COH110 - ETC
Абсолютный энкодер COH110 - PB
Подробнее
Абсолютный энкодер COH110 - PB
Абсолютный энкодер COH110 - SSI
Подробнее
Абсолютный энкодер COH110 - SSI
Абсолютный энкодер COH58 - CO
Подробнее
Абсолютный энкодер COH58 - CO
Абсолютный энкодер COH58 - ETC
Подробнее
Абсолютный энкодер COH58 - ETC
Абсолютный энкодер COH58 - PB
Подробнее
Абсолютный энкодер COH58 - PB
Абсолютный энкодер COH58 - EPN
Подробнее
Абсолютный энкодер COH58 - EPN
Абсолютный энкодер COH58 - SSI
Подробнее
Абсолютный энкодер COH58 - SSI
Абсолютный энкодер COH80 - ETC
Подробнее
Абсолютный энкодер COH80 - ETC
Абсолютный энкодер COH80 - PB
Подробнее
Абсолютный энкодер COH80 - PB
Абсолютный энкодер COH80 - SSI
Подробнее
Абсолютный энкодер COH80 - SSI
Абсолютный энкодер COK58 - CO
Подробнее
Абсолютный энкодер COK58 - CO
Абсолютный энкодер COK58 - ETC
Подробнее
Абсолютный энкодер COK58 - ETC
Абсолютный энкодер COK58 - PB
Подробнее
Абсолютный энкодер COK58 - PB
Абсолютный энкодер COK58 - EPN
Подробнее
Абсолютный энкодер COK58 - EPN
Абсолютный энкодер COK58 - SSI
Подробнее
Абсолютный энкодер COK58 - SSI
Абсолютный энкодер COS58 - CO
Подробнее
Абсолютный энкодер COS58 - CO
Абсолютный энкодер COS58 - ETC
Подробнее
Абсолютный энкодер COS58 - ETC
Абсолютный энкодер COS58 - PB
Подробнее
Абсолютный энкодер COS58 - PB
Абсолютный энкодер COS58 - EPN
Подробнее
Абсолютный энкодер COS58 - EPN
Абсолютный энкодер COS58 - SSI
Подробнее
Абсолютный энкодер COS58 - SSI
Абсолютный энкодер COV58 - CO
Подробнее
Абсолютный энкодер COV58 - CO
Абсолютный энкодер COV58 - ETC
Подробнее
Абсолютный энкодер COV58 - ETC
Абсолютный энкодер COV58 - PB
Подробнее
Абсолютный энкодер COV58 - PB
Абсолютный энкодер COV58 - EPN
Подробнее
Абсолютный энкодер COV58 - EPN
Абсолютный энкодер COV58 - SSI
Подробнее
Абсолютный энкодер COV58 - SSI
Абсолютный энкодер COV65 - A / SSI
Подробнее
Абсолютный энкодер COV65 - A / SSI
Абсолютный энкодер COV65 - EIP
Подробнее
Абсолютный энкодер COV65 - EIP
Абсолютный энкодер COV65 - EPL
Подробнее
Абсолютный энкодер COV65 - EPL
Абсолютный энкодер COV65 - SSI
Подробнее
Абсолютный энкодер COV65 - SSI
Абсолютный энкодер QDH80M - SSI / INK
Подробнее
Абсолютный энкодер QDH80M - SSI / INK
Абсолютный энкодер QDH81M - SSI / INK
Подробнее
Абсолютный энкодер QDH81M - SSI / INK
Абсолютный энкодер QEH80 - PB
Подробнее
Абсолютный энкодер QEH80 - PB
Абсолютный энкодер QEH80 - SSI
Подробнее
Абсолютный энкодер QEH80 - SSI
Абсолютный энкодер QEH81 - PB / SSI
Подробнее
Абсолютный энкодер QEH81 - PB / SSI
Заказать
Отправить URL страницы
'"> Задать вопрос по продукции
Продукция
Продукция