Фильтр товаров

Линейный энкодер - магнитострикция: Датчик линейных перемещений LA46 (H) - ETC

О компании
TR-Electronic

О компании TR-Electronic

TR-Electronic со своими сильными швабскими корнями активно работает сегодня в разных странах мира. Компания особенно сильна в отраслях, связанных со станкостроением. Помимо штаб-квартиры в г. Троссинг...

Подробнее

Характеристики

  • Специальные клиентские решения
  • Гибкое программирование
  • Возможность использования дополнительных интерфейсов
  • Измерение линейных перемещений
  • Опционально: Съемный датчик
  • Идеально подходит для цилиндров
  • Значение позиции - настройка
  • Герметизированный цилиндрический корпус
  • Детектирование без износа
Характеристики
Рабочие условия
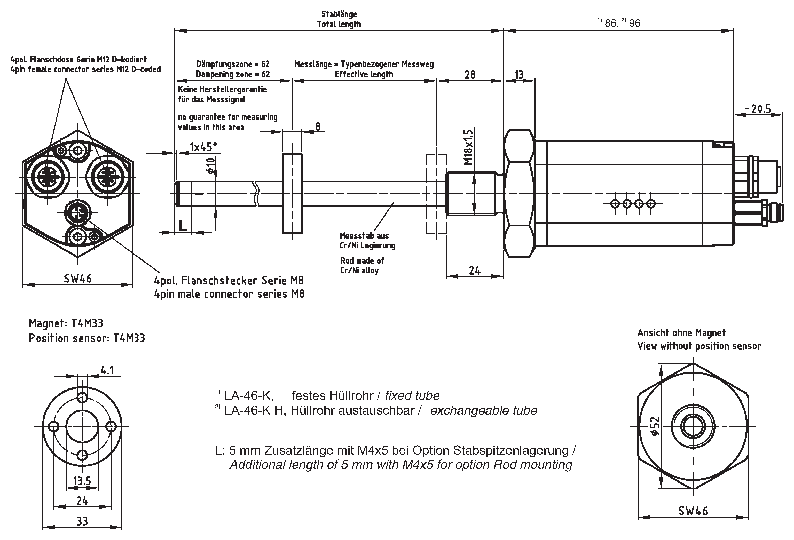
Чертеж
Файлы
Развернутая информация о продукции - Датчик линейных перемещений LA46 (H) - ETC
Питание
Напряжение питания
24 В-, -20…+10 %
Потребление тока без нагрузки  
<= 300 мА
Принцип измерений  
Магнитострикционный
Длина измерения, стандартная  
50…2000 мм, с шагом
Разрешение  
0.001 мм
Линейное отклонение  
± 0,10 мм <= 1500 мм
 
± 0,15 мм > 1500 мм
Воспроизводимость результатов  
0.005 мм
Запаздывание  
0,02 мм <= 1500 мм
 
0,1 мм > 1500 мм
Температурный коэффициент  
< 8 мкм/°C <= 500 мм
 
< 15 ppm/°C > 500 мм
Скорость по прямой  
Без ограничений
Монтажное положение  
Без ограничений
Материал - измерительный корпус  
Сплав Cr/Ni
Монтажный наконечник  
Опционально
Магнит  
T4-M33
 
Другое по запросу
Интерфейс EtherCAT
EtherCAT
IEC 61158-1–6, IEC 61784-2
Физический уровень
Fast Ethernet, ISO/IEC 8802-3
Профиль устройства
CoE, CiA DS-406
Обеспечение безопасности через EtherCAT, FSoE
IEC 61784-3
Скорость передачи данных
Удельное значение
100 мбит/с
Время цикла  
100…20000 мкс
Параметр/Функция, возможность изменения  
Разрешение
 
Наблюдатель
 
Интерполяция
 
Предварительно установленный параметр
 
Направление отсчета
Тип параметризации  
программируется
Инструмент для программирования  
Устройство интерфейсной шины
 
Программное обеспечение TR: TRWinProg
Время цикла, внутр., <= 0,50 м  
0.50 мс
Время цикла, внутр., <= 1,00 м  
1.00 мс
Время цикла, внутр., <= 2,00 м  
1.50 мс
Дополнительные магниты
Число магнитов
3
Минимальное расстояние до магнита
80 мм
Общие условия эксплуатации датчика линейных перемещений LA46 (H) - ETC
Вибрации
Удельное значение
<= 100 м/с²
Синусоида
50…2000 Гц
Удары
Удельное значение
<= 1000 м/с²
Половина синусоиды
11 мс
Устойчивость к помехам  
DIN EN 61000-6-2
Переходное излучение  
DIN EN 61000-6-3
Рабочая температура
Стандартное значение
0…+70 °C
Дополнительно
-20…+70 °C
Температура хранения, сух.  
-30…+85 °C
Относительная влажность  
98 %, без конденсации
Класс защиты
Стандартное значение
IP65
Магнитное поле рассеяния  
< 3 мТ
Измерительная позиция  
Плоскость измерений
Сопротивление давления
Дополнительно
600 бар, статическое
Drawing
Linear-Transducer LA46 (H) - ETC
K-LA46-ETC-1.pdfСкачать (689,31 Кб) 
Обзор моделей
Датчик линейных перемещений LA41 - A
Подробнее
Датчик линейных перемещений LA41 - A
Датчик линейных перемещений LA41K - COI
Подробнее
Датчик линейных перемещений LA41K - COI
Датчик линейных перемещений LA41K - DN
Подробнее
Датчик линейных перемещений LA41K - DN
Датчик линейных перемещений LA41 - ISI
Подробнее
Датчик линейных перемещений LA41 - ISI
Датчик линейных перемещений LA41K - SSI
Подробнее
Датчик линейных перемещений LA41K - SSI
Датчик линейных перемещений LA41K - Старт/стоп
Подробнее
Датчик линейных перемещений LA41K - Старт/стоп
Датчик линейных перемещений LA42 - ISI
Подробнее
Датчик линейных перемещений LA42 - ISI
Датчик линейных перемещений LA42K - SSI
Подробнее
Датчик линейных перемещений LA42K - SSI
Датчик линейных перемещений LA46K (H) - A
Подробнее
Датчик линейных перемещений LA46K (H) - A
Датчик линейных перемещений LA46K (H) - CO
Подробнее
Датчик линейных перемещений LA46K (H) - CO
Датчик линейных перемещений LA46 (H) - DN
Подробнее
Датчик линейных перемещений LA46 (H) - DN
Датчик линейных перемещений LA46 (H) - EIP
Подробнее
Датчик линейных перемещений LA46 (H) - EIP
Датчик линейных перемещений LA46 (H) - EPL
Подробнее
Датчик линейных перемещений LA46 (H) - EPL
Датчик линейных перемещений LA46 (H) - ES3
Подробнее
Датчик линейных перемещений LA46 (H) - ES3
Датчик линейных перемещений LA46 (H) - ETC
Подробнее
Датчик линейных перемещений LA46 (H) - ETC
Датчик линейных перемещений LA46K (H) - PB
Подробнее
Датчик линейных перемещений LA46K (H) - PB
Датчик линейных перемещений LA46K (H) - EPN
Подробнее
Датчик линейных перемещений LA46K (H) - EPN
Датчик линейных перемещений LA46K (H) - SSI
Подробнее
Датчик линейных перемещений LA46K (H) - SSI
Датчик линейных перемещений LA50 - A
Подробнее
Датчик линейных перемещений LA50 - A
Датчик линейных перемещений LA50 - SSI
Подробнее
Датчик линейных перемещений LA50 - SSI
Датчик линейных перемещений LA65H - A
Подробнее
Датчик линейных перемещений LA65H - A
Датчик линейных перемещений LA65H - CO
Подробнее
Датчик линейных перемещений LA65H - CO
Датчик линейных перемещений LA65H - ISI
Подробнее
Датчик линейных перемещений LA65H - ISI
Датчик линейных перемещений LA65H - SSI
Подробнее
Датчик линейных перемещений LA65H - SSI
Датчик линейных перемещений LA66K - ASI
Подробнее
Датчик линейных перемещений LA66K - ASI
Датчик линейных перемещений LA66K - FIPIO
Подробнее
Датчик линейных перемещений LA66K - FIPIO
Датчик линейных перемещений LA66K - IBS
Подробнее
Датчик линейных перемещений LA66K - IBS
Датчик линейных перемещений LA66K - ISI
Подробнее
Датчик линейных перемещений LA66K - ISI
Датчик линейных перемещений LA66K - LWL
Подробнее
Датчик линейных перемещений LA66K - LWL
Датчик линейных перемещений LA66K - CAM
Подробнее
Датчик линейных перемещений LA66K - CAM
Датчик линейных перемещений LA66K - EPN
Подробнее
Датчик линейных перемещений LA66K - EPN
Датчик линейных перемещений LA66K - P
Подробнее
Датчик линейных перемещений LA66K - P
Датчик линейных перемещений LA66K - Старт/стоп
Подробнее
Датчик линейных перемещений LA66K - Старт/стоп
Датчик линейных перемещений LA80 - A
Подробнее
Датчик линейных перемещений LA80 - A
Датчик линейных перемещений LA80 - SSI
Подробнее
Датчик линейных перемещений LA80 - SSI
Датчик линейных перемещений LMC55 - CO
Подробнее
Датчик линейных перемещений LMC55 - CO
Датчик линейных перемещений LMC55 - ETC
Подробнее
Датчик линейных перемещений LMC55 - ETC
Датчик линейных перемещений LMC55 - PB
Подробнее
Датчик линейных перемещений LMC55 - PB
Датчик линейных перемещений LMPS34 - A
Подробнее
Датчик линейных перемещений LMPS34 - A
Датчик линейных перемещений LMP30 - CO
Подробнее
Датчик линейных перемещений LMP30 - CO
Датчик линейных перемещений LMP30 - EIP
Подробнее
Датчик линейных перемещений LMP30 - EIP
Датчик линейных перемещений LMP30 - EPL
Подробнее
Датчик линейных перемещений LMP30 - EPL
Датчик линейных перемещений LMP30 - ETC
Подробнее
Датчик линейных перемещений LMP30 - ETC
Датчик линейных перемещений LMP30 - ISI
Подробнее
Датчик линейных перемещений LMP30 - ISI
Датчик линейных перемещений LMP30 - PB
Подробнее
Датчик линейных перемещений LMP30 - PB
Датчик линейных перемещений LMP30 - EPN
Подробнее
Датчик линейных перемещений LMP30 - EPN
Датчик линейных перемещений LMP30 - SSI
Подробнее
Датчик линейных перемещений LMP30 - SSI
Датчик линейных перемещений LMR48 - A
Подробнее
Датчик линейных перемещений LMR48 - A
Датчик линейных перемещений LMR48 - CO
Подробнее
Датчик линейных перемещений LMR48 - CO
Датчик линейных перемещений LP38 - ASI
Подробнее
Датчик линейных перемещений LP38 - ASI
Датчик линейных перемещений LP38 - A
Подробнее
Датчик линейных перемещений LP38 - A
Датчик линейных перемещений LP38 - CO
Подробнее
Датчик линейных перемещений LP38 - CO
Датчик линейных перемещений LP38 - DN
Подробнее
Датчик линейных перемещений LP38 - DN
Датчик линейных перемещений LP38 - ISI
Подробнее
Датчик линейных перемещений LP38 - ISI
Датчик линейных перемещений LP38 - PB
Подробнее
Датчик линейных перемещений LP38 - PB
Датчик линейных перемещений LP38 - SSI
Подробнее
Датчик линейных перемещений LP38 - SSI
Датчик линейных перемещений LP38 - Старт/стоп
Подробнее
Датчик линейных перемещений LP38 - Старт/стоп
Датчик линейных перемещений LP46K - A
Подробнее
Датчик линейных перемещений LP46K - A
Датчик линейных перемещений LP46K - CO
Подробнее
Датчик линейных перемещений LP46K - CO
Датчик линейных перемещений LP46 - EIP
Подробнее
Датчик линейных перемещений LP46 - EIP
Датчик линейных перемещений LP46 - EPL
Подробнее
Датчик линейных перемещений LP46 - EPL
Датчик линейных перемещений LP46 - ES3
Подробнее
Датчик линейных перемещений LP46 - ES3
Датчик линейных перемещений LP46 - ETC
Подробнее
Датчик линейных перемещений LP46 - ETC
Датчик линейных перемещений LP46K - PB
Подробнее
Датчик линейных перемещений LP46K - PB
Датчик линейных перемещений LP46 - EPN
Подробнее
Датчик линейных перемещений LP46 - EPN
Датчик линейных перемещений LP46K - SSI
Подробнее
Датчик линейных перемещений LP46K - SSI
Датчик линейных перемещений LMP30 - A
Подробнее
Датчик линейных перемещений LMP30 - A
Датчик линейных перемещений LMPS34 - CO
Подробнее
Датчик линейных перемещений LMPS34 - CO
Датчик линейных перемещений LMPS34 - IO-Link
Подробнее
Датчик линейных перемещений LMPS34 - IO-Link
Датчик линейных перемещений LMPS34 - SSI
Подробнее
Датчик линейных перемещений LMPS34 - SSI
Заказать
Отправить URL страницы
'"> Задать вопрос по продукции
Продукция
Продукция