Развернутая информация о продукции - Датчик линейных перемещений LA46K (H) - EPN
Потребление тока без нагрузки
<= 150 мА
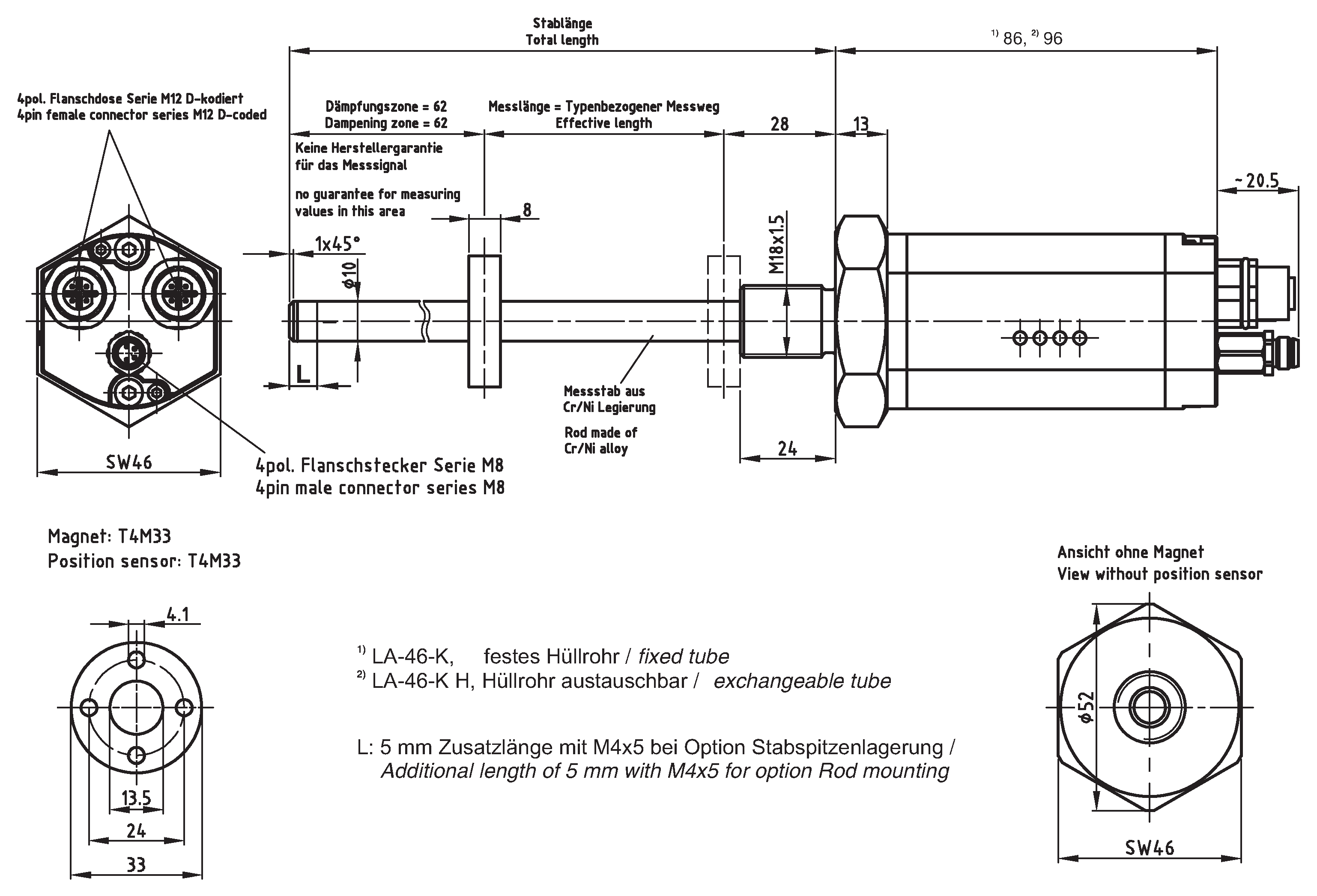
Длина измерения, стандартная
50…2000 мм, с шагом
Воспроизводимость результатов
0.005 мм
Температурный коэффициент
< 8 мкм/°C <= 500 мм
Материал - измерительный корпус
Сплав Cr/Ni
Интерфейс ввода-вывода PROFINET
Устройство ввода-вывода PROFINET
IEC 61158, IEC 61784-1
Fast Ethernet, ISO/IEC 8802-3
Классы в реальном времени
Класс 1, 2 (RT), класс 3 (IRT)
Параметр/Функция, возможность изменения
Разрешение
Предварительно установленный параметр
Инструмент для программирования
Устройство интерфейсной шины
Программное обеспечение TR: TRWinProg
Время цикла, внутр., <= 0,50 м
0.50 мс
Время цикла, внутр., <= 1,00 м
1.00 мс
Время цикла, внутр., <= 2,00 м
1.50 мс
Минимальное расстояние до магнита
80 мм